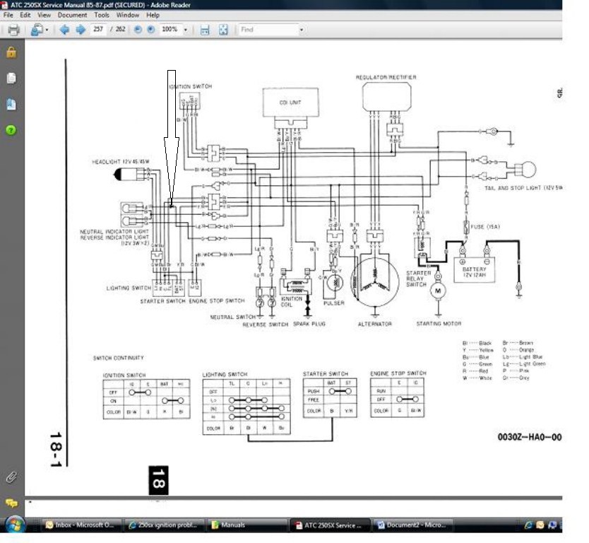
So I have a 86 big red 250. I can turn the key on and get my starter cranking but I have no spark and no neutral light. I grounded out my neutral safety switch on the frame and I can get the reverse light to turn on but not the neutral light. I know both bulbs are good. Where do I start? When it died it sort of flickered the neutral light and slowly died off and then no spark and no light. My headlight works fine. Anyone ever have this issue?


Reply With Quote