Results 1 to 9 of 9

Thread: 1985 tri-z LED conversion

  1. #1
    Join Date
    Oct 2016
    Location
    Las Vegas, NV
    --
    14

    1985 tri-z LED conversion

    Hey there,
    I am looking at putting some LED headlights in on my 85 tri-z. I know the lighting system is a 12V AC system and that most LEDs are 12V DC. I need to know if anyone has done a conversion like this before. I am not replacing just the bulbs. I was looking at the Alpena Quadfire lights that are sold at AutoZone but they do not specify AC or DC voltage systems.
    Thanks for the input.

  2. #2
    Join Date
    Jan 2014
    Location
    Massachusetts USA
    --
    782
    Technically, an LED will function on AC voltage, but will only use half of the AC sine wave. Although you could run it that way, it has been recommended by others here who gave converted to LED's that you add a rectifier to convert to a DC lighting circuit. Longer LED life due to more constant current has been predicted, but I'm not sure if there's any real evidence of this. A regulator should be used however, so if you decide to convert to DC, get a combination regulator/rectifier unit, and disconnect the original AC regulator.
    1985 Tri-Z 250
    1985 ATC250R

  3. #3
    Join Date
    Nov 2016
    Location
    Fl
    --
    13
    Definitely use a voltage regulator (shunt type) to keep the voltage within the normal range.

  4. #4
    Join Date
    Oct 2016
    Location
    Las Vegas, NV
    --
    14
    Thanks guys, this will be a big help.

  5. #5
    f76's Avatar
    f76 is offline At The Back Of The Pack Arm chair racerAt the back of the pack
    Join Date
    Jun 2014
    Location
    South Dakota
    --
    323
    It's not a hard conversion to convert to DC. You will need to float the ground off the lighting coil from the stator and use the floating ground and the light circuit output wire as the inputs for the rectifier/regulator unit. The outputs from the rec/reg will go to either a large capacitor or battery. You ground battery or capacitor to frame and run the power wire from the switch to the positive side of battery/capacitor.

    If you do not float the ground from the stator, you cannot use frame ground for DC power.

    I have a PDF write up I did for a 350x on how to float the ground, should be similar. If you're interested I can email it to you.
    85 Kawasaki KLT 160
    85 Kawasaki KLT 110
    82 ATC 70
    2000 Scrambler 500

  6. #6
    Join Date
    Dec 2015
    Location
    garden grove, ca
    --
    4
    I'm trying to do this same thing to a 1985 ATC 250r
    here's the wiring harness with my best attempt at wiring everything correctly but im sure its backwards. I'm not able to float the ground off of the stator so floating the ground on the battery is I think the way for me. I'm also trying to keep the original headlight/taillight for now.
    Attached Thumbnails Attached Thumbnails Click image for larger version. 

Name:	artflow_201703171546.jpg 
Views:	302 
Size:	492.8 KB 
ID:	240825  

  7. #7
    f76's Avatar
    f76 is offline At The Back Of The Pack Arm chair racerAt the back of the pack
    Join Date
    Jun 2014
    Location
    South Dakota
    --
    323
    You cannot float the ground off the battery. Floating the ground refers to removing the ground wire attached to the stator frame that connects to the actual trike frame. You then attach a wire from the newly disconnected ground wire coil and run it out the stator cover and connect it to the other yellow wire in the diagram you have going to a question mark. You need two inputs for trail tech rec/reg to function properly. And both inputs must come from the lighting coil in the stator.
    85 Kawasaki KLT 160
    85 Kawasaki KLT 110
    82 ATC 70
    2000 Scrambler 500

  8. #8
    Join Date
    Dec 2015
    Location
    garden grove, ca
    --
    4
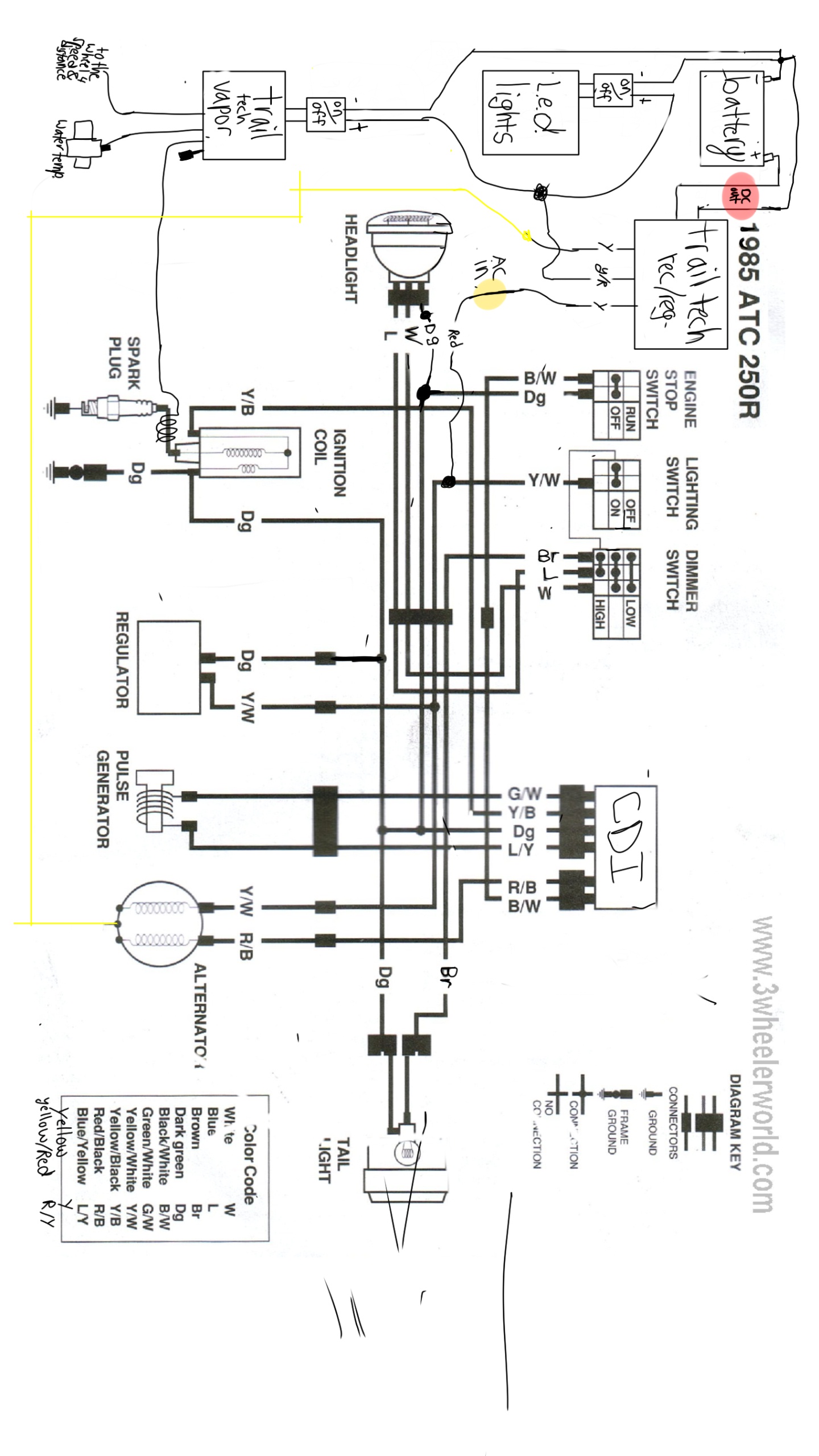
    So this is the correct way to wire it then?
    Is there a way to convert ac to do without touching the stator and its ground( I only ask because that is not a option for me at the moment)
    Attached Thumbnails Attached Thumbnails Click image for larger version. 

Name:	artflow_201703252012.jpg 
Views:	134 
Size:	500.4 KB 
ID:	241286  

  9. #9
    f76's Avatar
    f76 is offline At The Back Of The Pack Arm chair racerAt the back of the pack
    Join Date
    Jun 2014
    Location
    South Dakota
    --
    323
    Looks good. The yellow wire you have coming from the stator will be the other end of the yellow/white wire coil removed from the stator frame. The yellow/red off the rec/reg is simply a delayed switched power to keep the lights on for a duration of time after the machine is shut off.

    As for converting to dc without floating the ground, there is a way to wire in a diode into the yellow/white power wire. This will only clip off a portion of the ac sine wave. This method is what goki used on their electric start kits. It works but the power output is basically cut in half if I understand correctly. It will only trickle charge the battery, don't expect large output.

    I understand you say you can't touch the stator. But if you really want to do it right and fully utilize the power output of the stator, floating the ground is the way to go.


    Sent from my iPhone using Tapatalk
    85 Kawasaki KLT 160
    85 Kawasaki KLT 110
    82 ATC 70
    2000 Scrambler 500

//ArrowChat Integreation Code //