Results 1 to 12 of 12

Thread: 200x headlight issues help

  1. #1
    Join Date
    Sep 2016
    Location
    Pima, az
    --
    11

    200x headlight issues help

    I keep blowing my head lights I don't know what is goin on please help tia

  2. #2
    ctk is offline Just Too Addicted Arm chair racerJust too addicted
    Join Date
    Nov 2007
    Location
    ohio
    --
    580
    Does your rear light work? If not that could be why your headlight bulb is blowing out
    Chris

  3. #3
    Join Date
    Sep 2016
    Location
    Pima, az
    --
    11
    I don't have it hooked up.. would that cause my headlights to blow out??

  4. #4
    dman10's Avatar
    dman10 is offline At The Back Of The Pack Arm chair racerAt the back of the pack
    Join Date
    Jul 2013
    Location
    Elgin, TX
    --
    402
    I'd hook it up, could be the issue


    Sent from my iPhone using Tapatalk
    Quote Originally Posted by tri again View Post
    Cool stuff seems to happen when I'm sleeping.
    Nice to know things happen without me.

  5. #5
    Join Date
    Sep 2016
    Location
    Pima, az
    --
    11
    I tried hooking it up just surged and blew it as well... I don't have any idea what could be going on.... I've tore my harness apart looking for cut/bare wires. I've changed switches, lights harnesses it's killing my pocket book...

  6. #6
    ctk is offline Just Too Addicted Arm chair racerJust too addicted
    Join Date
    Nov 2007
    Location
    ohio
    --
    580
    Download the online manual. There are test for the lighting circuit. Easy test with a mutimeter.
    Chris

  7. #7
    Join Date
    Oct 2002
    Location
    Northeast
    --
    17,490
    Your lighting coil is not working correctly, that year has no voltage regulator...
    All our government does is distract us while they steal from us, misspend our tax $ and ruin our country

  8. #8
    Join Date
    Sep 2016
    Location
    Pima, az
    --
    11
    Lighting coil? Where is it located? I have just about given up... it has kept me up many hours tryin to figure out why I'm the only one around this valley that can't keep headlights from blowing up. Any info is greatly appreciated thanks in advance for your time. If you want to call or text any ideas you may have 7753857645

  9. #9
    Join Date
    Jan 2017
    Location
    SD
    --
    39
    stator cover, left side as sitting on the bike, wires coming out of it go to the lighting coil. as mentioned, download the online factory service manual.

    Click image for larger version. 

Name:	s-l300.jpg 
Views:	31 
Size:	16.1 KB 
ID:	243652

  10. #10
    Join Date
    May 2009
    Location
    S.E. Michigan
    --
    1,251
    I was going to post up a screen capture of the service manual information on how to check out your lighting coil, but they don't actually give any specs. They just indicate to make sure you have continuity between the yellow lead coming out of the lighting coil (behind the cover in the picture one post above) and ground.

    All I can think of for you to do is to make sure you have good grounds all around the machine. Confirm that the engine and frame have good continuity between each other. I think there is a ground eyelet (on the green ground wire) where your ignition coil mounts. Make sure the metal is clean and the connection is tight.

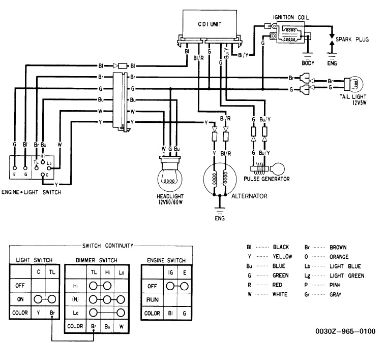
    Here is the wiring diagram in case it can help:
    Click image for larger version. 

Name:	200x Wiring Diagram.jpg 
Views:	30 
Size:	113.8 KB 
ID:	243657
    - Frank

    1984 200ES Big Red
    1985 350X (x2)
    1986 350X
    1986 250SX
    1984 Auto-X
    1984 ATC70
    1985 ATC70

  11. #11
    Join Date
    Jun 2009
    Location
    Leander TX
    --
    2,217
    What headlight bulbs are you using?

    As stated above, these do not have a voltage regulator.
    The bulbs act as the regulator so it's important they are correct watt.

    Can also add a 2-wire regulator if desired.
    Last edited by jb2wheels; 06-07-2017 at 12:14 PM. Reason: posted too fast

  12. #12
    Join Date
    Jan 2017
    Location
    SD
    --
    39
    But the lighting coil still needs to be producing somewhat stable voltage. An easy way to test it is to take the 35 year old pos out and throw it in the trash, then replace it with an upgraded rickystator coild for 50 bucks. Parts wear out.

    Seriously though you dont need a manual spec. Hook up an A/C voltage meter to each lead from the coil and rev the bike to 3-5000 rpm. and see what the voltage is hitting. if it's over 20 volts or spiking it will pop the bulbs.

    Replace it anyway, everything will work better. The rickystator unit is superior.

    https://www.rickystator.com/product/...coil-all-years

//ArrowChat Integreation Code //